工程案例
李茫茫
安科瑞電氣股份有限公司 上海嘉定 201801
摘要:介紹了霍爾電流傳感器的工作原理,給出霍爾電流傳感器在并聯型有源電力濾波器(SAPF)中的具體應用方法。同時給出了采用霍爾電流傳感器對并聯型有源電力濾波器進行補償前后的系統電流波形圖。
關鍵詞:霍爾電流傳感器;并聯型有源電力濾波器;霍爾元件;補償
0引言
近年來,諧波抑制,提高電能質量已成為電力電子技術、電氣自動化技術及電力系統研究領域的一個重大課題。而APF由于其自身的很多優點,已經成為目前諧波抑制的一個發展趨勢。由于目前電流型諧波源在電網中的比例很大,實際應用的裝置多為并聯型有源電力濾波器(SAPF)。
SAPF技術的應用需要對SAPF的輸入輸出電流信號進行測量,其測量的精度直接影響到APF的諧波補償效果。由于霍爾元件構成的霍爾電流傳感器與普通的CT相比,具有量程寬,精度高,線型度高,靈敏度高等優點,因此,本文選用霍爾傳感器作為SAPF中各個電流信號的檢測設備。
1霍爾電流傳感器的工作原理
1.1霍爾效應及霍爾器件
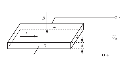
霍爾電流傳感器的核心是霍爾器件,它是根據霍爾效應的原理制成的。圖1所示是霍爾器件的工作原理圖。將通有電流的金屬薄片置于磁場中,其中電流方向由1流向2,磁場方向與控制電流方向正交,此時導體中的自由電子受洛倫茲力的作用而向4發生偏轉,從而使導體的3、4兩側出現一個電勢差,這一現象稱為霍爾效應。該電勢差即為霍爾電壓UH,它與磁感應強度B及電流I成正比。霍爾電壓UH可用下式(1)表示:

式(1)

圖1霍爾器件的工作原理
式中:RH是霍爾系數(是由材料性質決定的一個常數),對于金屬導體而言,RH=1/nq(n為載流子濃度或自由電子濃度,q為電子電量。),I為通過器件的電流,B為垂直于I的磁感應強度,d為導體的厚度,KH=RH/d稱為霍爾元件的靈敏度,它是表征單位磁感應強度和單位電流時的霍爾電壓輸出大小的一個重要參數,一般希望它越大越好。若保證式(1)中I不變,那么,在一定條件下,就可通過測量霍爾電壓UH來推算出磁感應強度B的大小,并由此建立了磁場與電壓信號的聯系。根據這一關系,人們研制出了霍爾器件。
1.2霍爾電流傳感器
由前面的分析可知,利用霍爾器件可以進行非接觸式電流測量,測量可分為直測法和磁平衡法。當一個環形導磁材料做成的磁芯套在被測電流流過的導線上時,導線周圍就會產生磁場,磁場的大小與流過導線的電流成正比。這一磁場可以通過軟磁材料聚集,然后用霍爾元件進行檢測。由于磁場與霍爾元件的輸出呈線性關系,因此可利用霍爾元件測得的信號大小,來反映被測電流的大小。這種測電流的方法稱為直測法。以這種測量方式做成的霍爾電流傳感器(直測式)的優點是結構簡單,成本較低。但由于有隨電流變大,磁芯有可能出現磁飽和以及頻率升高,磁芯中的渦流損耗、磁滯損耗等也會隨之升高等,從而使其精度、線性度變差,響應時間較慢,溫度漂移較大,同時它的測量范圍、帶寬等也會受到一定的限制。
磁平衡法(又稱零磁通法、閉環反饋補償法)則在直測法原理的基礎上,又加入了磁平衡原理。即將前述霍爾器件的輸出電壓進行放大,再經功率放大后,讓輸出電流通過次級補償線圈,使補償線圈產生的磁場和被測電流產生的磁場方向相反,從而補償原邊磁場,使霍爾輸出逐漸減小,這樣,當原次級磁場相等時,補償電流不再變大。實際上,這個平衡過程是自動建立的,是一個動態平衡,建立平衡所需的時間很短。平衡時,霍爾器件處于零磁通狀態。磁芯中的磁感應強度很低(理想狀態應為0),故不會使磁芯飽和,也不會產生大的磁滯損耗和渦流損耗。因此,與直測式霍爾電流傳感器相比,磁平衡法做成的霍爾電流傳感器(磁平衡式)的頻帶更寬,測試精度更高,響應時間更短。
如圖2所示,磁平衡式霍爾電流傳感器由聚磁環、霍爾元件、一次線圈(一般為一匝,即穿過聚磁環的被測導線)、二次線圈、放大電路等組成。圖2中,I1為一次線圈電流,I2為二次線圈電流,霍爾元件置于聚磁鐵芯的氣隙中,用于檢測聚磁環中的磁場大小。當被測導線的電流產生的磁場導致聚磁環中的霍爾元件產生霍爾電勢時,霍爾電勢將使電子放大器調整輸出電流I2,電流I2再使二次線圈產生的磁場抵消一次線圈電流I1產生的磁場,直至霍爾電勢為零,從而達到磁路平衡,此時,霍爾元件將工作在零磁通狀態,并有下面的公式(2)成立。

圖2磁平衡式霍爾電流傳感器原理圖

式(2)
式中,N1為一次線圈匝數,N2為二次線圈匝數。當N1、N2的值已知時,通過測量I2的大小,即可推算出I1的值,從而實現電流的隔離測量。
在二次線圈輸出回路增加測量電阻RL,則:

式(3)
從式(3)可以看出,測量電阻RL上的電壓VL與一次線圈的被測電流I1是成線性關系的。因此,知道了VL的大小,也就知道了輸出電壓VOUT的值。
1.3磁平衡式霍爾電流傳感器的主要特性
磁平衡式霍爾電流傳感器可同時測量任意波形電流,其二次線圈測量電流與一次線圈被測電流之間完全電氣隔離,絕緣電壓一般為2~12kV。它可對額定1mA~50kA的電流進行測量,且動態響應特性很好。此外,該傳感器還具有精度高、線性度好,以及過載、抗干擾能力強等特點。
2在并聯型有源電力濾波器中的應用
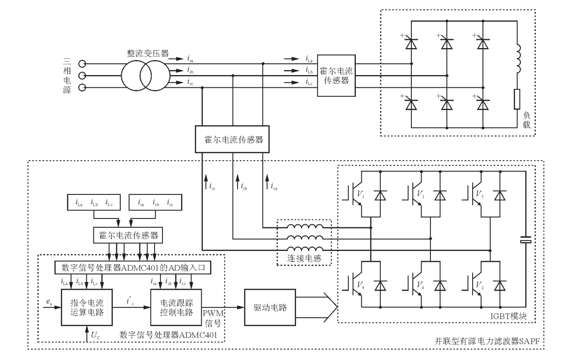
圖3為SAPF系統的構成原理圖,其中負載為諧波源,主電路采用PWM變流器。該SAPF系統由兩部分組成,即指令電流運算電路和補償電流發生電路。其中,指令電流運算電路的核心是檢測補償對象中的諧波電流分量。補償電流發生電路的作用是根據指令電流運算電路得出的補償電流的指令信號,來產生實際的補償電流。其基本原理是通過檢測補償對象的電壓和電流,并經指令電流運算電路計算出補償電流的指令信號,再將該信號經補償電流發生電路放大,并得出補償電流,然后將補償電流與負載電流中要補償的諧波電流相抵消,得到期望的電源電流波形。

圖3并聯型有源電力濾波器原理電路
其中補償對象中的電壓電流以及補償電流信號是通過霍爾電流傳感器獲得的。然后可將該信號再送到數字信號處理器ADMC401的A/D輸入口(但是這些輸入量要在A/D轉換的電壓范圍之內,否則將不能完成轉換)。本設計采用CHB-50P型霍爾電流傳感器,它的額定電流是50A,輸出電流為100mA。測量范圍是0~50A,匝數比是1:500,其測量精度、線性度、頻率范圍及反應時間都符合磁平衡式霍爾電流傳感器特性中的數值。它與A/D轉換口的連接電路如圖4所示。

圖4電流檢測電路
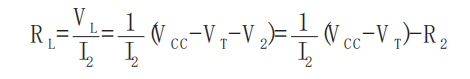
由公式(3)和圖4可知,調整測量電阻RL的取值,就能得到所需比例的輸出信號。但應注意的是,由于ADMC401的A/D口的電壓范圍是±2V,因此RL的取值是有限制的。從圖2可以看出,在輸出回路中,除了測量電阻RL以外,還有電子放大器輸出級的射極跟隨管以及二次線圈,因此有下式(4)成立:

式(4)
式中,VCC是供電電源電壓,一般為±12~±24V;VT是電子放大器輸出管的壓降(飽和值為1.5~2V);V2是二次線圈壓降。若二次線圈內阻為R2,則有:V2=I2R2。
這樣,將(4)式帶入(3)式中,便可以推導出計算公式為:

式(5)
3實驗分析
本設計中,并聯型有源電力濾波器主電路采用富士公司的IGBT-IPM模塊7MBP150RA-120,信號檢測采用霍爾電流傳感器,主控電路由AD公司的數字信號處理器ADMC401來實現。三相連接電感的大小為0.68mH,直流側電容為2個大小為10000μF的電容器串聯,輸出電壓由額定電壓為380V,額定電流為53A的調壓器供給。負載是一個由可調電阻、電感以及二極管構成的整流橋。在380V線電壓的情況下,該負載可以提供30A的電流。由CHB-50P的特點可以推出,在該電流下,系統可輸出大約60mA的電流,因此,根據公式(5)就可以計算出阻值約為25Ω。所用的測量工具是TektronixTDS1012型示波器
本實驗旨在測試在使用霍爾電流傳感器后,SAPF裝置穩定運行時的補償效果。其實際的補償效果如圖5所示。

圖5A相補償前后及補償電流的波形
圖5中的1、2、3分別對應于380V線電壓條件下A相系統在電流補償前、補償后以及補償電流本身的波形。從1可以看到,補償前負載電流波形基本上是一個類似矩形的階梯波,其諧波含量非常多,通過對A相負載電流做頻譜分析,其中的5次諧波達到了20.3%,7次諧波也將近達13%,總的諧波畸變率為25.7%,大大超出了國家標準。從2可以看到,在補償后,A相的系統電流基本上由矩形階梯波調整為標準的正弦波,通過做頻譜分析,5次諧波下降到4%以下,7次諧波下降到3.5%以下,總的諧波畸變率由25.7%下降到了5.4%。補償效果已滿足國家關于配電系統諧波指標所規定的要求。
4安科瑞霍爾傳感器產品選型
4.1產品介紹
霍爾電流傳感器主要適用于交流、直流、脈沖等復雜信號的隔離轉換,通過霍爾效應原理使變換后的信號能夠直接被AD、DSP、PLC、二次儀表等各種采集裝置直接采集和接受,響應時間快,電流測量范圍寬精度高,過載能力強,線性好,抗干擾能力強。適用于電流監控及電池應用、逆變電源及太陽能電源管理系統、直流屏及直流馬達驅動、電鍍、焊接應用、變頻器,UPS伺服控制等系統電流信號采集和反饋控制。
4.2產品選型
4.2.1開口式開環霍爾電流傳感器

表1
4.2.2閉口式開環霍爾電流傳感器

表2
4.2.3閉環霍爾電流傳感器

表3
4.2.4直流漏電流傳感器

表4
5結束語
通過并聯型有源電力濾波器中的成功應用表明,采用霍爾電流傳感器作為電流取樣元件具有電流控制精度高、動態響應快、性能穩定等優點。與普通的電流互感器相比,采用霍爾電流傳感器更能無失真的反映測量電流。隨著霍爾傳感器技術水平的提高,它必將廣泛的應用于社會中的各個行業。
【參考文獻】
[1]于樹海,程漢湘,羅其鋒.霍爾電流傳感器在并聯型有源電力濾波器(SAPF)中的應用.
[2]安科瑞企業微電網設計與應用手冊2020.06版